微機繼電保護測試儀的功率繼電器校驗
微機繼電保護測試儀的功率繼電器校驗,是把上一篇繼電保護測試儀繼電器校驗更加細化的講解,歡迎合眾電氣技術工程師給大家講解。
(1)功率方向繼電器動作區和靈敏角的測量
在微機繼電保護測試儀功率、阻抗試驗中,設定Uab、Ia為額定值,設置Uab相角步長,加減電壓相位角(可用自動試驗方式),測出動作區兩邊邊界角φ1、φ2,則靈敏角φLM=?(φ1+φ2)。
(2)最小動作功率的測量
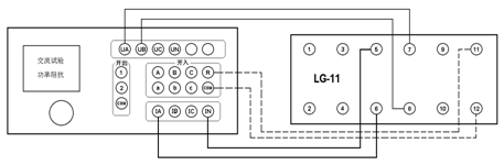
將微機繼電保護測試儀角度設置在靈敏角φLM,設定Ia(或Uab)為額定值、Uab(或Ia)為零。
設置Uab(或Ia)的步長,增加電壓(或電流)。測出最小動作功率。如上圖所示。
(3)潛動試驗
微機繼電保護測試儀電流回路開路,設置Uab初值為零、步長為額定電壓,突然加上或切除電壓,繼電器觸點不應有瞬間接通現象。
電壓回路經20歐電阻短路,設置Ia 初值為零、步長為數倍額定電流,突然加上或切除電流,繼電器觸點不應有瞬間接通現象。
(4)記憶作用檢驗
在微機繼電保護測試儀靈敏角下設置Ia 為0.5倍和數倍額定電流時,Uab由100V突降至零,繼電器應可靠動作,說明記憶作用良好。
(1)功率方向繼電器動作區和靈敏角的測量
在微機繼電保護測試儀功率、阻抗試驗中,設定Uab、Ia為額定值,設置Uab相角步長,加減電壓相位角(可用自動試驗方式),測出動作區兩邊邊界角φ1、φ2,則靈敏角φLM=?(φ1+φ2)。
(2)最小動作功率的測量
將微機繼電保護測試儀角度設置在靈敏角φLM,設定Ia(或Uab)為額定值、Uab(或Ia)為零。
(3)潛動試驗
微機繼電保護測試儀電流回路開路,設置Uab初值為零、步長為額定電壓,突然加上或切除電壓,繼電器觸點不應有瞬間接通現象。
電壓回路經20歐電阻短路,設置Ia 初值為零、步長為數倍額定電流,突然加上或切除電流,繼電器觸點不應有瞬間接通現象。
(4)記憶作用檢驗
在微機繼電保護測試儀靈敏角下設置Ia 為0.5倍和數倍額定電流時,Uab由100V突降至零,繼電器應可靠動作,說明記憶作用良好。
- 上一篇: 微機繼電保護測試儀阻抗繼電器校驗
- 下一篇: 微機繼電保護測試儀的繼電器校驗





